便裝式開關電源150W
電源類型:AC/DC模塊電源
規格型號:ZAS-150-48
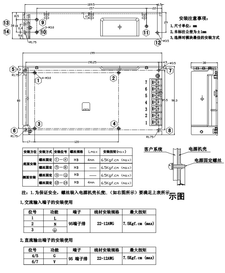
電源尺寸:199mmx98.3mmx38mm
輸入電壓:85V-265VAC或120V-375VDC
輸出電壓:DC5V,12V,15V,24V,48V
輸出功率:150W

電源類型:AC/DC模塊電源
規格型號:ZAS-150-48
電源尺寸:199mmx98.3mmx38mm
輸入電壓:85V-265VAC或120V-375VDC
輸出電壓:DC5V,12V,15V,24V,48V
輸出功率:150W
| 型號 | ZAS-150-5 | ZAS-150-12 | ZAS-150-15 | ZAS-150-24 | ZAS-150-36 | ZAS-150-48 |
| 直流輸出電壓、電流 | 5V 0~30A | 12V 0~12.5A | 15V 0~10A | 24V 0~6.25A | 36V 0~4.16A | 48V 0~3.12A |
| 紋波及噪音 | 150mVp-p | 150mVp-p | 180mVp-p | 180mVp-p | 200mVp-p | 200mVp-p |
| 進線穩定度 | ±0.5% | ±0.5% | ±0.5% | ±0.5% | ±0.5% | ±0.5% |
| 負載穩定度 | ±1% | ±0.5% | ±0.5% | ±0.5% | ±0.5% | ±0.5% |
| 效率 | 79% | 82% | 83% | 83% | 86% | 86% |
| 直流電壓可調范圍 | ±10% | ±10% | ±10% | ±10% | ±10% | ±10% |
| 輸入電壓范圍 | 85~265VA或120~375VDC | |||||
| 沖擊電流 | 冷啟動電流15A/115VAC 30A/230VAC | |||||
| 過載保護 | 105%~201%切斷輸出,自動恢復 | |||||
| 過電壓保護 | 斷掉輸出、重新上電 | |||||
| 啟動、上升、保持時間 | 200ms, 50ms, 20ms/230VAC 滿負載 | |||||
| 耐壓性 | 輸入輸出間:1.5kV 輸入與外殼間:1.5kV 輸出與外殼間:0.5kV 一分鐘 | |||||
| 隔離電阻 | 輸入輸出間 輸入與外殼間 輸出與外殼間:500VDC/100M | |||||
| 工作溫度 | -10℃~+50℃ | |||||
| 尺寸 | 199×98.3×38mm | |||||
| 重量 | 0.9kg | |||||
| 包裝 | 42×31.5×26CM/20PCS/18kg | |||||